ボクスター 幌改造 走行中の開閉可能
ボクスターの幌の開閉は電動だ。
だが、折角の自動なのに操作可能な条件が厳しい。
@サイドブレーキ引いてあること。
A停止中であること。
B幌のロックが外れていること。
この状態でしか開閉ができない。
これに不満を持つユーザーは多いようで、
すでに走行中に開閉させるリレーが市販されている。
ただし、お値段39800円と高い。
ならば自分で作ってしまおう。
まず車両から該当のリレーを外す。
運転席の足元にある。

とりあえずバラす。

うーむ。
基盤を眺める。

ICが載っている。
ただのリレーでは無いらしい。

うーむ。
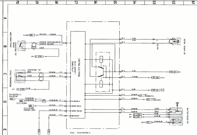
リレーの底に11番〜29番までの刻印が打ってある。
回路図を眺める。

うーむ。
15番がサイドブレーキ信号入力
18番が速度信号入力
22番がアース
23番がモーター駆動用電力入力
26番が制御用電力入力
というところまでは分かったのだが、
信号ONで動作可なのか、それとも信号OFFで動作可なのかは書いてない。
なのでWebで検索。
海外の質問板ですぐ見つかった。
もちろん全部英語。
訳すと、
「18番ピンを優しく曲げてやるんだ。それで車速が入らなくなるから、お前の望みは叶えられる。サイドブレーキの無効化は知らないけど、3〜4ノッチだけ引くのなら走行に支障は無いだろ?」
てな記述があったから、実行。
ぐにゃり。

たったこれだけで走行中でも幌の開閉が可能になった。
ただしサイドブレーキを軽く引いてやる必要あるが。
これは凄い改善だぞ。